Hydraulika / Šroubení se střižným kroužkem / VOLZ šroubení / STAUFF otočná šroubová spojení / SWR otočné šroubení BSP
SWR 38 S 1.1/2
Otočné šroubení
2 749 Kč / ks
2 271,9 Kč bez DPH
Skladem na e-shopu
Kód:
Máte dotaz k produktu?
Napište nám, brzy se ozveme
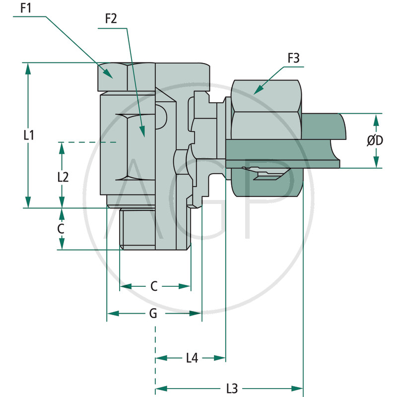
Přípoj 1: BSP-vnější válcový závit, těsnící kroužek
Přípoj 2: vnější válcový závit metrický, 24° vnitřní kužel
Provedení: otočné úhlové šroubení 90°
Norma: DIN 2353
Materiál: ocel potažená směsí zinku a niklu
Balení: 1
Balení: 1
- PN (bar) 170
- F3 (mm) 60
- MA (Nm) 41
- C (coul) G 1 1/2"
- F1 (mm) 55
- F2 (mm) 65
- L1 (mm) 55
- L2 (mm) 80
- L3 (mm) 40,5
- L4 (mm) 71,5







