Hydraulika / Šroubení se střižným kroužkem / VOLZ šroubení / STAUFF otočná šroubová spojení / SWR otočné šroubení BSP
SWR 04 LL 1/8
Otočné šroubení
666 Kč / ks
550,41 Kč bez DPH
Skladem na e-shopu
Kód:
Máte dotaz k produktu?
Napište nám, brzy se ozveme
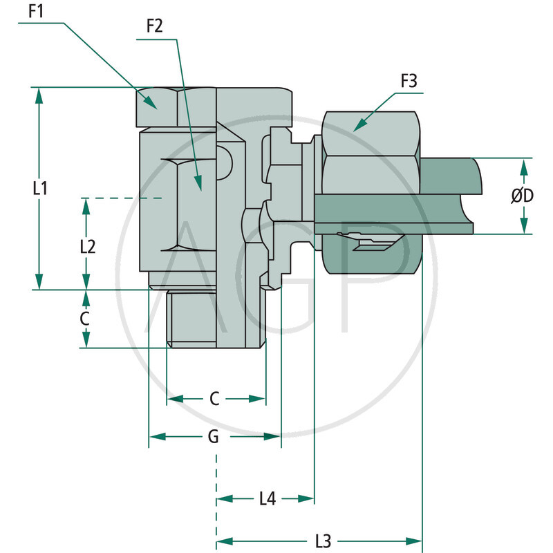
Přípoj 1: BSP-vnější válcový závit, těsnící kroužek
Přípoj 2: vnější válcový závit metrický, 24° vnitřní kužel
Provedení: otočné úhlové šroubení 90°
Norma: DIN 2353
Materiál: ocel potažená směsí zinku a niklu
Balení: 1
Balení: 1
- PN (bar) 100
- F3 (mm) 10
- MA (Nm) 16
- C (coul) G 1/8"
- F1 (mm) 14
- F2 (mm) 14
- L1 (mm) 14,5
- L2 (mm) 21
- L3 (mm) 10
- L4 (mm) 25,5







