Hydraulika / Šroubení se střižným kroužkem / šroubové spojení / Úhlová šroubová spojení / X-WE-Úhlová přímá šroubení
Jednoduché šroubení 90° X-WER 16 S 1/2 KEG se závitem M24 x 1,5
bez čepičkové matice a střižného kroužku
263 Kč / ks
217,36 Kč bez DPH
Skladem na e-shopu
Kód:
Máte dotaz k produktu?
Napište nám, brzy se ozveme
Přípoj G: BSPT-Vnější závit kuželový, gewindedichtend (Form C)
Přípoj trubka: metrický Vnější závit cylindrický, 24° vnitřní kužel
Konstrukce: jednoduché úhlové 90°
norma: DIN 2353
Materiál: ocel, pozinkováno
Balení: 1
Balení: 1
- PN (bar) 400
- Připojovací závit M24 x 1,5
- Roura D (mm) 16
- Závit G G 1/2" keg.
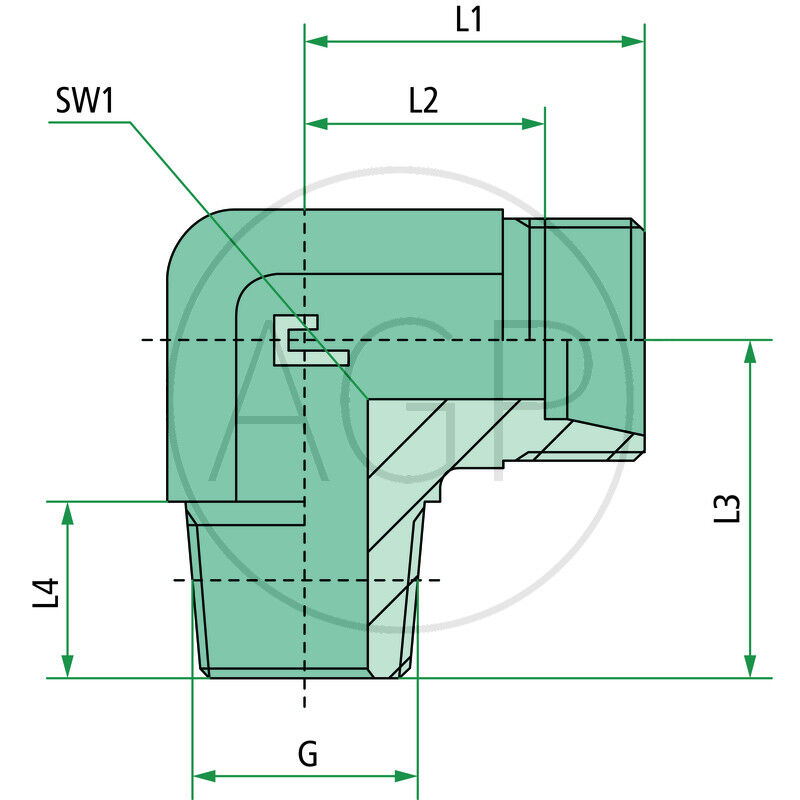
- L1 (mm) 33
- L2 (mm) 24,5
- L3 (mm) 36
- L4 (mm) 19,5










