Hydraulika / Šroubení se střižným kroužkem / šroubové spojení / Úhlová šroubová spojení / X-WE-Úhlová přímá šroubení
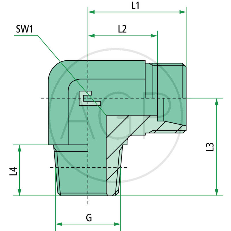
Jednoduché šroubení 90° X-WER 15 L 3/8 KEG se závitem M22 x 1,5
bez čepičkové matice a střižného kroužku
291 Kč / ks
240,5 Kč bez DPH
Skladem na e-shopu
Skladem na prodejně
Kód:
Máte dotaz k produktu?
Napište nám, brzy se ozveme
Přípoj G: BSPT-Vnější závit kuželový, gewindedichtend (Form C)
Přípoj trubka: metrický Vnější závit cylindrický, 24° vnitřní kužel
Konstrukce: jednoduché úhlové 90°
norma: DIN 2353
Materiál: ocel, pozinkováno
Balení: 1
Balení: 1
- PN (bar) 315
- Připojovací závit M22 x 1,5
- Roura D (mm) 15
- Závit G G 3/8" keg.
- L1 (mm) 28
- L2 (mm) 21
- L3 (mm) 33
- L4 (mm) 15










