Hydraulika / Šroubení se střižným kroužkem / šroubové spojení / Úhlová šroubová spojení / X-WE-Úhlová přímá šroubení
Jednoduché šroubení 90° X-WER 12 L 1/2 KEG se závitem M18 x 1,5
bez čepičkové matice a střižného kroužku
410 Kč / ks
338,84 Kč bez DPH
Skladem na e-shopu
Skladem na prodejně
Kód:
Máte dotaz k produktu?
Napište nám, brzy se ozveme
Přípoj G: BSPT-Vnější závit kuželový, gewindedichtend (Form C)
Přípoj trubka: metrický Vnější závit cylindrický, 24° vnitřní kužel
Konstrukce: jednoduché úhlové 90°
norma: DIN 2353
Materiál: ocel, pozinkováno
Balení: 1
Balení: 1
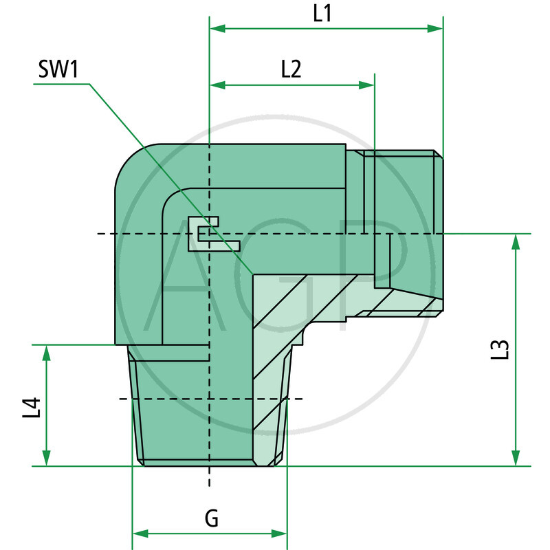
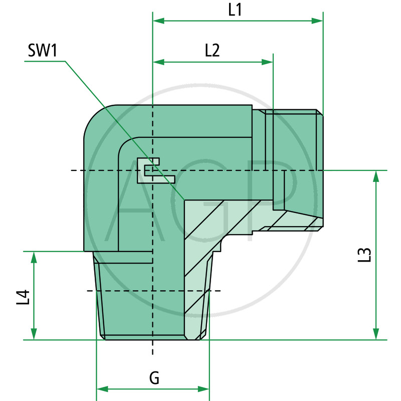
- PN (bar) 315
- Připojovací závit M18 x 1,5
- Roura D (mm) 12
- Závit G G 1/2" keg.
- L1 (mm) 29
- L2 (mm) 21,5
- L3 (mm) 28
- L4 (mm) 15










