Hydraulika / Šroubení se střižným kroužkem / šroubové spojení / Úhlová šroubová spojení / X-SW-Úhlová Otočná šroubení
Otočné úhlové šroubení 90° X-SWR 20 S 3/4 se závitem M30 x 2
bez čepičkové matice a střižného kroužku
981 Kč / ks
810,74 Kč bez DPH
Skladem na e-shopu
Kód:
Máte dotaz k produktu?
Napište nám, brzy se ozveme
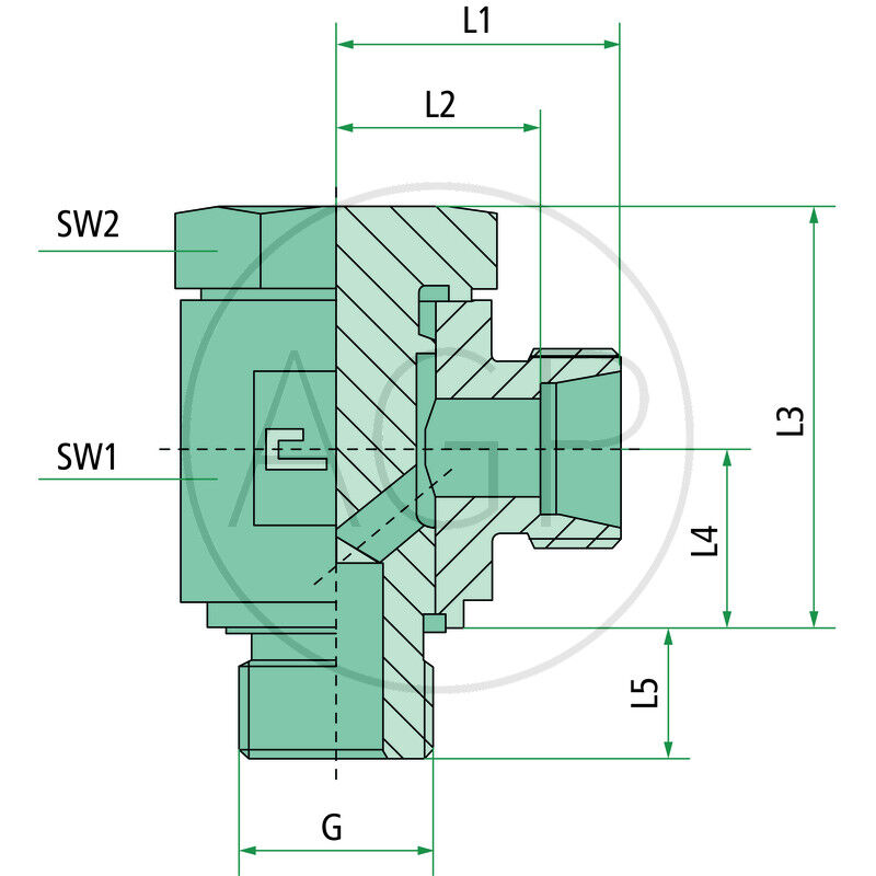
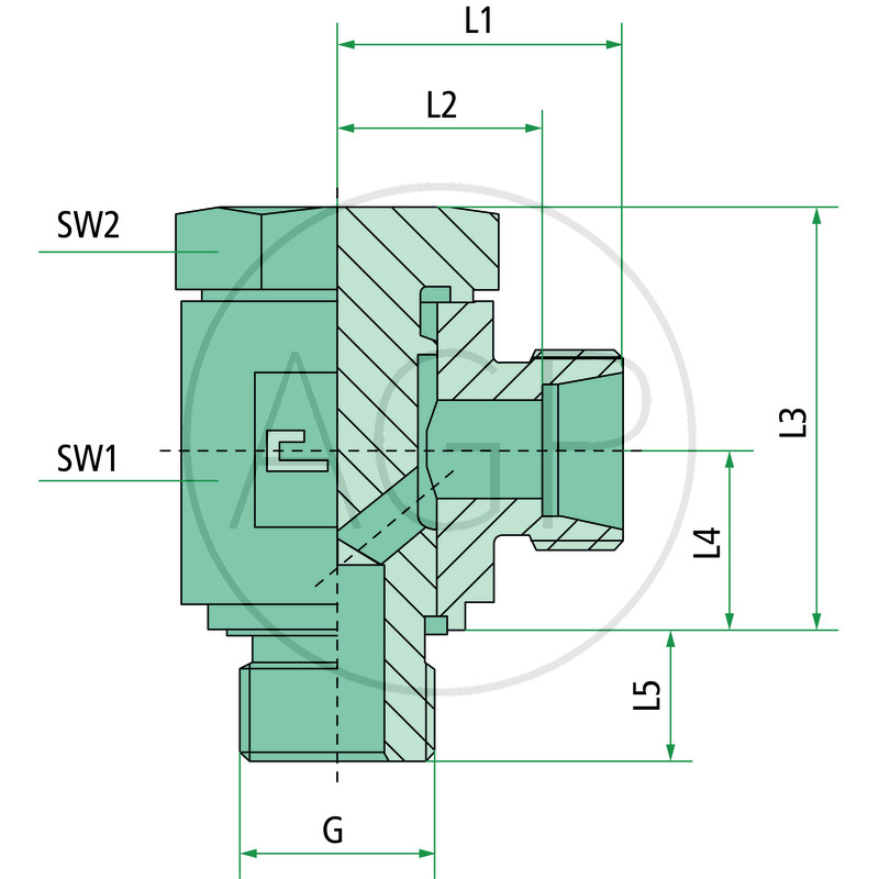
Přípoj G: BSP-Vnější závit cylindrický, Měkké těsnění
Přípoj trubka: metrický Vnější závit cylindrický, 24° vnitřní kužel
Konstrukce: otočné úhlové šroubení 90°
norma: DIN 2353
Materiál: ocel, pozinkováno
Balení: 1
Balení: 1
- PN (bar) 250
- Připojovací závit M30 x 2
- Roura D (mm) 20
- SW2 (mm) 36
- Závit (G) G 3/4"
- L1 (mm) 36
- L2 (mm) 25,5
- L3 (mm) 54
- L4 (mm) 24










