Hydraulika / Šroubení se střižným kroužkem / šroubové spojení / Úhlová šroubová spojení / X-SW-Úhlová Otočná šroubení
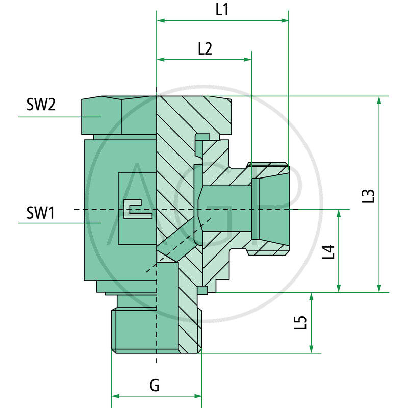
Otočné úhlové šroubení 90° X-SWR 16 S 1/2 se závitem M24 x 1,5
bez čepičkové matice a střižného kroužku
626 Kč / ks
517,36 Kč bez DPH
Skladem na e-shopu
Kód:
Máte dotaz k produktu?
Napište nám, brzy se ozveme
Přípoj G: BSP-Vnější závit cylindrický, Měkké těsnění
Přípoj trubka: metrický Vnější závit cylindrický, 24° vnitřní kužel
Konstrukce: otočné úhlové šroubení 90°
norma: DIN 2353
Materiál: ocel, pozinkováno
Balení: 1
Balení: 1
- PN (bar) 315
- Připojovací závit M24 x 1,5
- Roura D (mm) 16
- SW2 (mm) 30
- Závit (G) G 1/2"
- L1 (mm) 31
- L2 (mm) 22,5
- L3 (mm) 46,5
- L4 (mm) 21,5










