Hydraulika / Šroubení se střižným kroužkem / šroubové spojení / Úhlová šroubová spojení / X-SW-Úhlová Otočná šroubení
Otočné úhlové šroubení X-SWR 06 L 1/8 se závitem M12 x 1,5
bez čepičkové matice a střižného kroužku
383 Kč / ks
316,53 Kč bez DPH
Skladem na e-shopu
Kód:
Máte dotaz k produktu?
Napište nám, brzy se ozveme
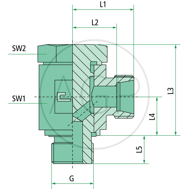
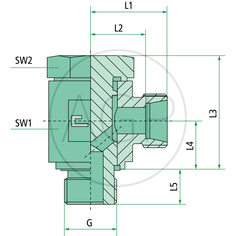
Přípoj G: BSP-Vnější závit cylindrický, Měkké těsnění
Přípoj trubka: metrický Vnější závit cylindrický, 24° vnitřní kužel
Konstrukce: otočné úhlové šroubení 90°
norma: DIN 2353
Materiál: ocel, pozinkováno
Balení: 1
Balení: 1
- PN (bar) 315
- Připojovací závit M18 x 1,5
- Roura D (mm) 12
- SW2 (mm) 24
- Závit (G) G 3/8"
- L1 (mm) 25
- L2 (mm) 18
- L3 (mm) 38,5
- L4 (mm) 16,5










