Hydraulika / Šroubení se střižným kroužkem / šroubové spojení / Úhlová šroubová spojení / X-SW-Úhlová Otočná šroubení
Otočné úhlové šroubení X-SWM 08 S 14 se závitem M16 x 1,5
bez čepičkové matice a střižného kroužku
1 060 Kč / ks
876,03 Kč bez DPH
Skladem na e-shopu
Kód:
Máte dotaz k produktu?
Napište nám, brzy se ozveme
Přípoj M: metrický vnější závit cylindrický, měkké těsnění
Přípoj trubka: metrický Vnější závit cylindrický, 24° vnitřní kužel
Konstrukce: otočné úhlové šroubení 90°
norma: DIN 2353
Materiál: ocel, pozinkováno
Balení: 1
Balení: 1
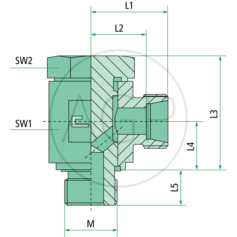
- PN (bar) 250
- Připojovací závit M30 x 2
- Roura D (mm) 20
- SW2 (mm) 36
- L1 (mm) 36
- L2 (mm) 25,5
- L3 (mm) 54
- L4 (mm) 24










