Hydraulika / Šroubení se střižným kroužkem / šroubové spojení / Úhlová šroubová spojení / X-SW-Úhlová Otočná šroubení
Otočné úhlové šroubení 90° X-SWM 12 S 18 se závitem M20 x 1,5
bez čepičkové matice a střižného kroužku
516 Kč / ks
426,45 Kč bez DPH
Skladem na e-shopu
Kód:
Máte dotaz k produktu?
Napište nám, brzy se ozveme
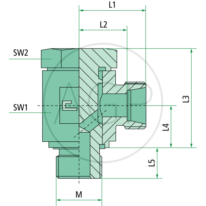
Přípoj M: metrický vnější závit cylindrický, měkké těsnění
Přípoj trubka: metrický Vnější závit cylindrický, 24° vnitřní kužel
Konstrukce: otočné úhlové šroubení 90°
norma: DIN 2353
Materiál: ocel, pozinkováno
Balení: 1
Balení: 1
- PN (bar) 400
- Připojovací závit M20 x 1,5
- Roura D (mm) 12
- SW2 (mm) 27
- L1 (mm) 29
- L2 (mm) 21,5
- L3 (mm) 42
- L4 (mm) 18,5










