Hydraulika / Šroubení se střižným kroužkem / šroubové spojení / Rovná šroubení / KOVO rovné šroubení
X-KOVV 18 L / 18 L DKO
253 Kč / ks
209,09 Kč bez DPH
Skladem na e-shopu
Skladem na prodejně
Kód:
Máte dotaz k produktu?
Napište nám, brzy se ozveme
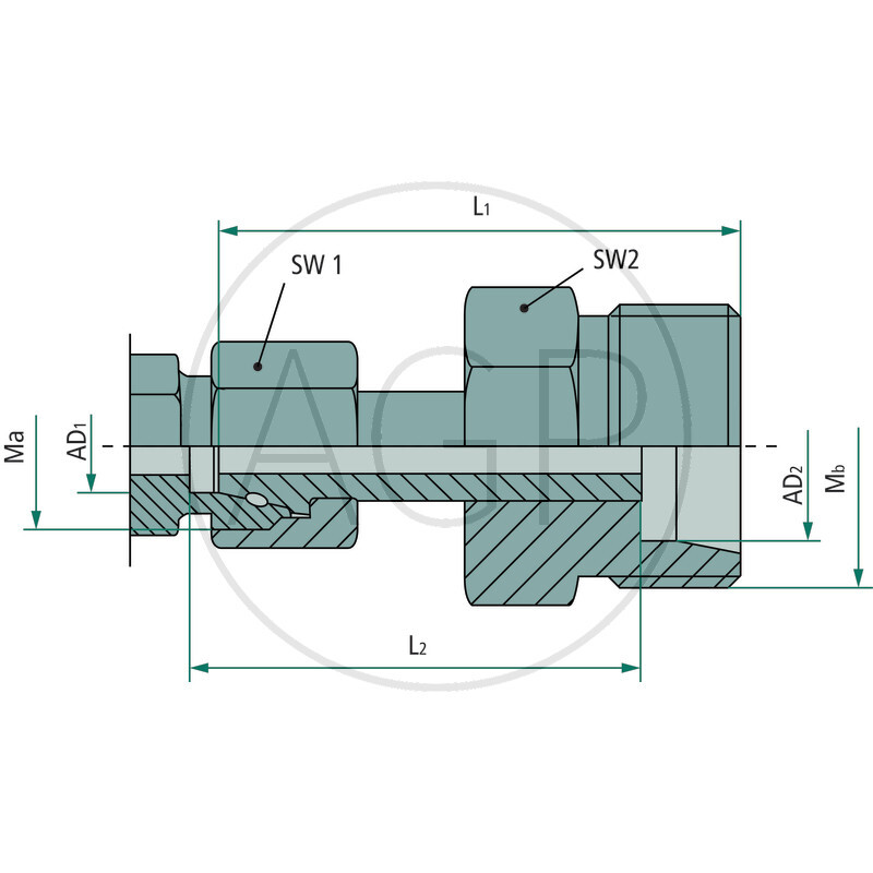
Přípoj 1: metrický maticový závit, 24° vnější konus s O-kroužkem
Přípoj 2: metrický vnější závit válcový, 24° vnitřní konus
konstrukční typ: šroubení rovné
norma: DIN 3861
materiál: ocel, ochrana povrchu DIN 50979 Fe/Zn8/Cn/T2
Balení: 1
Balení: 1
- SW2 (mm) 27
- Trubkový přípoj AD1 (mm) 18 L
- Trubkový přípoj AD2 (mm) 18 L
- Závit Ma (mm) M26 x 1.5
- Závit Mb (mm) M26 x 1.5
- L1 (mm) 41
- L2 (mm) 36







