Hydraulika / Šroubení se střižným kroužkem / šroubové spojení / Rovná šroubení / KOVO rovné šroubení
X-KOVV 16 S / 16 S DKO
327 Kč / ks
270,25 Kč bez DPH
Skladem na e-shopu
Kód:
Máte dotaz k produktu?
Napište nám, brzy se ozveme
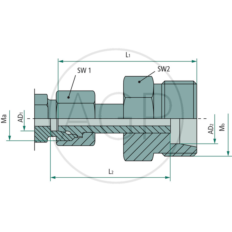
Přípoj 1: metrický maticový závit, 24° vnější konus s O-kroužkem
Přípoj 2: metrický vnější závit válcový, 24° vnitřní konus
konstrukční typ: šroubení rovné
norma: DIN 3861
materiál: ocel, ochrana povrchu DIN 50979 Fe/Zn8/Cn/T2
Balení: 1
Balení: 1
- SW2 (mm) 24
- Trubkový přípoj AD1 (mm) 16 S
- Trubkový přípoj AD2 (mm) 16 S
- Závit Ma (mm) M24 x 1.5
- Závit Mb (mm) M24 x 1.5
- L1 (mm) 47
- L2 (mm) 41







