Hydraulika / Šroubení se střižným kroužkem / VOLZ VA-šroubové spojení / Úhlová šroubení VOLZ VA-šroubové spojení / Přímá šroubení
WEV 8 LL-1/8" NPT VA
647 Kč / ks
534,71 Kč bez DPH
Skladem na e-shopu
Kód:
75046
Máte dotaz k produktu?
Napište nám, brzy se ozveme
Balení: 1
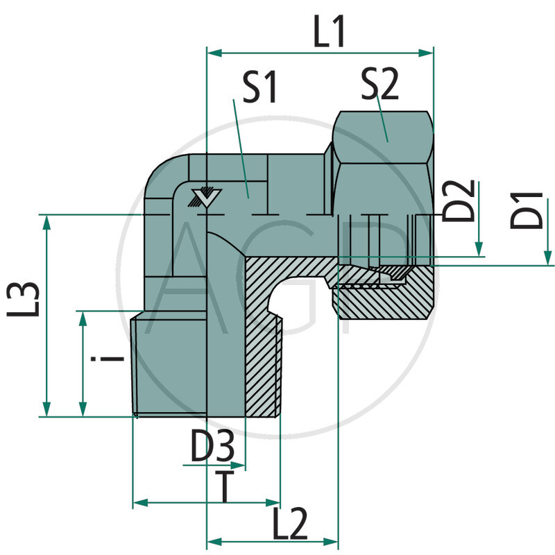
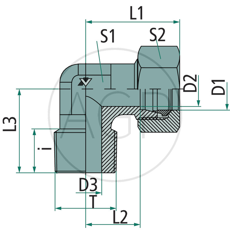
- PN (bar) 100
- ? D2 (mm) 6
- ? T (mm) 1/8" NPT
- ? D3 (mm) 6
- L1 (mm) 23
- L2 (mm) 11,5
- L3 (mm) 20
- ? D1 (mm) 8







