Hydraulika / Šroubení se střižným kroužkem / VOLZ VA-šroubové spojení / Úhlová šroubení VOLZ VA-šroubové spojení / Přímá šroubení
WEV 6 L-1/4" NPT VA
656 Kč / ks
542,15 Kč bez DPH
Skladem na e-shopu
Kód:
75048
Máte dotaz k produktu?
Napište nám, brzy se ozveme
Balení: 1
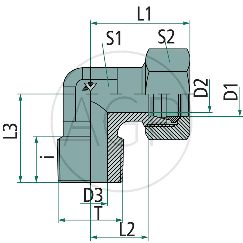
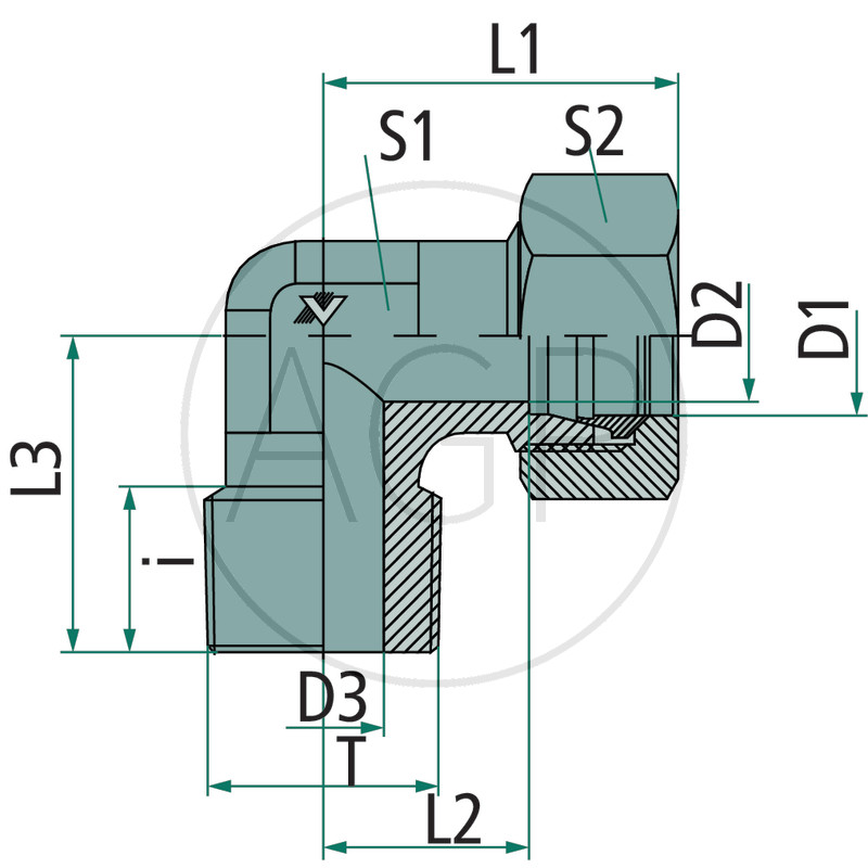
- PN (bar) 315
- ? D2 (mm) 4
- ? T (mm) 1/4" NPT
- ? D3 (mm) 4
- L1 (mm) 29
- L2 (mm) 14
- L3 (mm) 26
- ? D1 (mm) 6







