Hydraulika / Šroubení se střižným kroužkem / VOLZ VA-šroubové spojení / Úhlová šroubení VOLZ VA-šroubové spojení / Přímá šroubení
WEV 18 L- M22x1,5 kuž. VA
1 206 Kč / ks
996,69 Kč bez DPH
Skladem na e-shopu
Kód:
75035
Máte dotaz k produktu?
Napište nám, brzy se ozveme
Balení: 1
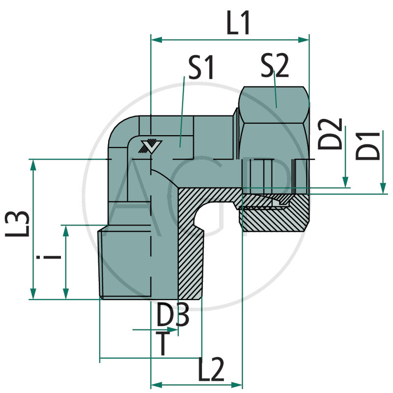
- PN (bar) 315
- ? D2 (mm) 15
- ? T (mm) M22x1,5 keg.
- ? D3 (mm) 14
- L1 (mm) 40
- L2 (mm) 23
- L3 (mm) 36
- ? D1 (mm) 18










