Hydraulika / Šroubení se střižným kroužkem / VOLZ VA-šroubové spojení / Úhlová šroubení VOLZ VA-šroubové spojení / Přímá šroubení
WEV 16 S-1/2" NPT VA
1 560 Kč / ks
1 289,26 Kč bez DPH
Skladem na e-shopu
Kód:
75074
Máte dotaz k produktu?
Napište nám, brzy se ozveme
Balení: 1
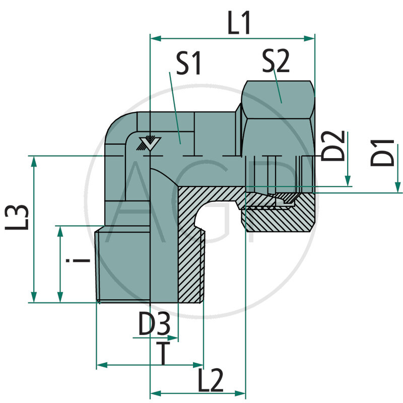
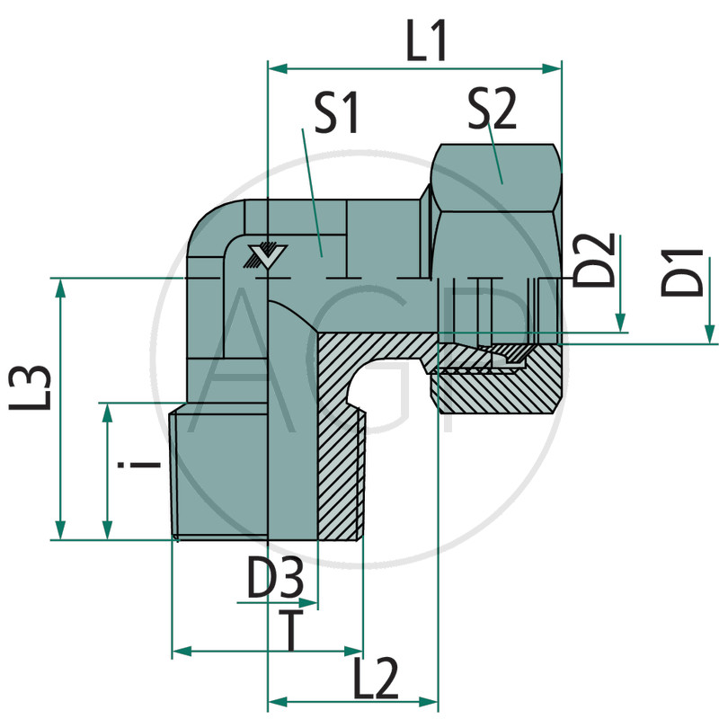
- PN (bar) 400
- ? D2 (mm) 12
- ? T (mm) 1/2" NPT
- ? D3 (mm) 12
- L1 (mm) 43
- L2 (mm) 24,5
- L3 (mm) 34
- ? D1 (mm) 16







