Hydraulika / Šroubení se střižným kroužkem / VOLZ VA-šroubové spojení / Úhlová šroubení VOLZ VA-šroubové spojení / Přímá šroubení
WEV 15 L-1/2" NPT VA
1 116 Kč / ks
922,31 Kč bez DPH
Skladem na e-shopu
Kód:
75057
Máte dotaz k produktu?
Napište nám, brzy se ozveme
Balení: 1
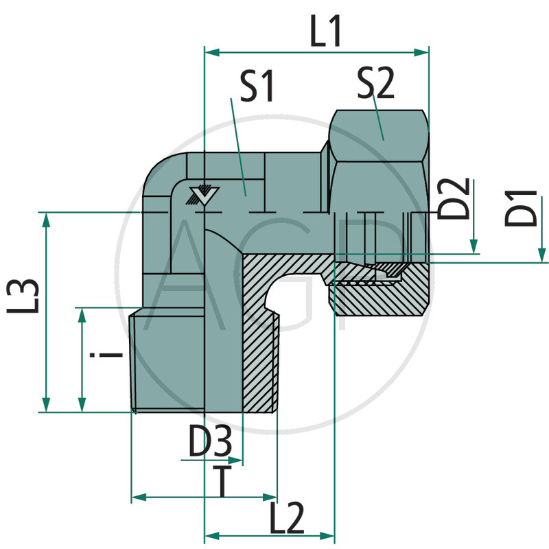
- PN (bar) 315
- ? D2 (mm) 12
- ? T (mm) 1/2" NPT
- ? D3 (mm) 12
- L1 (mm) 36
- L2 (mm) 21
- L3 (mm) 34
- ? D1 (mm) 15










