Hydraulika / Šroubení se střižným kroužkem / VOLZ VA-šroubové spojení / VOLZ VA-šroubové spojení - přímé šroubení / Šroubení - rovná šroubení
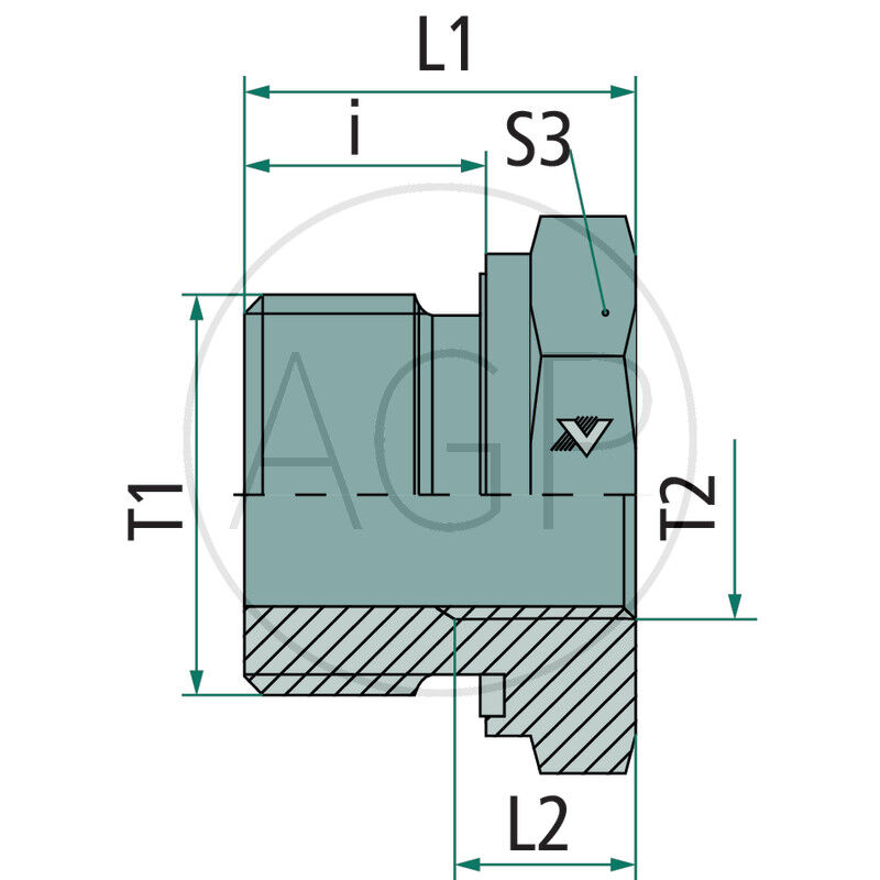
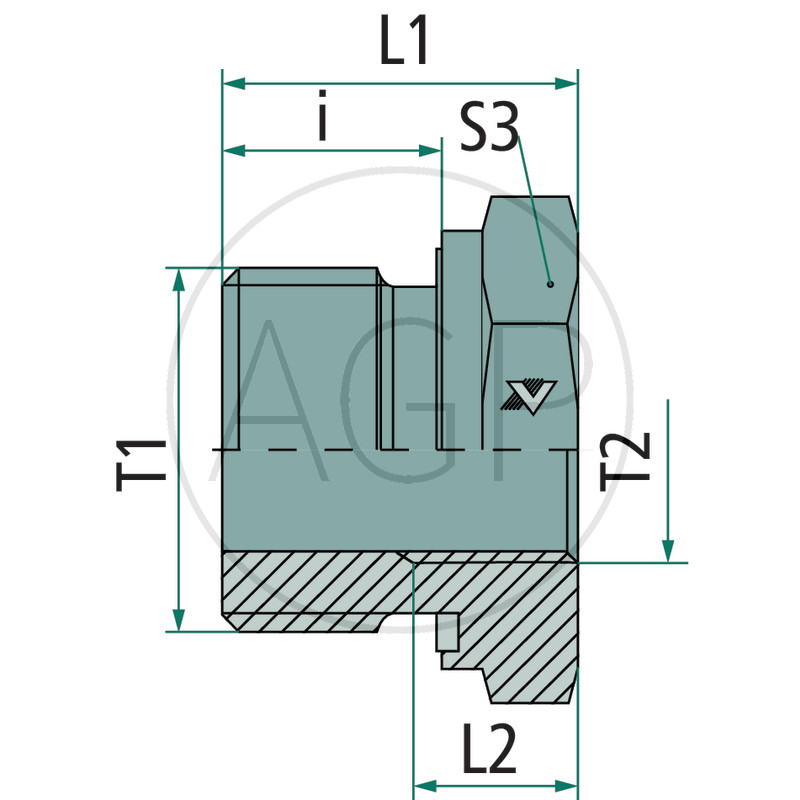
PH RIAS redukční hrdlo ze závitu 1.1/4" do závitu 3/4"
PH RIAS
1 958 Kč / ks
1 618,18 Kč bez DPH
Skladem na e-shopu
Kód:
75759
Máte dotaz k produktu?
Napište nám, brzy se ozveme
Balení: 1
- PN (bar) 250
- L1 (mm) 36
- L2 (mm) 16







