Hydraulika / Gates hadice a armatury / Gates Mega Crimp / Vsuvka k nalisování - metrická Gates Mega Crimp
PNE 32 DKOL M45x2.0 (35L)
2 250 Kč / ks
1 859,5 Kč bez DPH
Skladem na e-shopu
Kód:
Máte dotaz k produktu?
Napište nám, brzy se ozveme
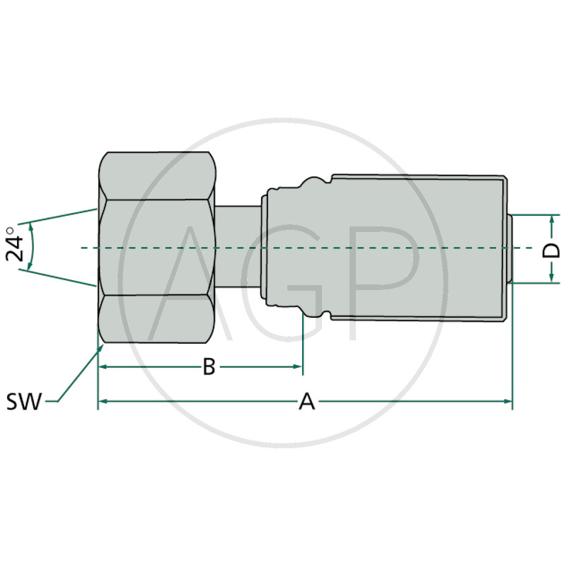
Těsnící kužel 24°, metrická přesuvná matice s O-kroužkem
Materiál: zinkováno bez chromu VI
Balení: 1
Materiál: zinkováno bez chromu VI
Balení: 1
- SW 50
- Š (mm) 44,1
- Závit M45 x 2
- Jmenovitý průměr D (coul) DN 32 - 1 1/4"







