Hydraulika / Gates hadice a armatury / Gates Mega Crimp / Vsuvka k nalisování - metrická Gates Mega Crimp
PNE 12 DKOL M26x1.5 (18L)
879 Kč / ks
726,45 Kč bez DPH
Skladem na e-shopu
Kód:
Máte dotaz k produktu?
Napište nám, brzy se ozveme
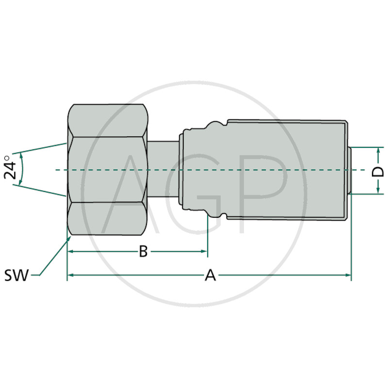
Těsnící kužel 24°, metrická přesuvná matice s O-kroužkem
Materiál: zinkováno bez chromu VI
Balení: 1
Materiál: zinkováno bez chromu VI
Balení: 1
- SW 32
- Š (mm) 27,5
- Závit M26 x 1,5
- Jmenovitý průměr D (coul) DN 12 - 1/2"







