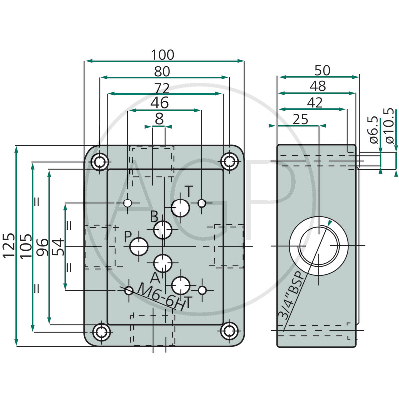
Hydraulika / Hydraulické rozvaděče / CETOP - elektrické ventily / BREVINI - el. ventily pro CETOP 05 (NG10) / Přípojné desky NG10
NG10-přípojná deska S 3/4" BSP
3 293 Kč / ks
2 721,49 Kč bez DPH
Skladem na e-shopu
Kód:
Máte dotaz k produktu?
Napište nám, brzy se ozveme
postranní přípojky
Balení: 1
Balení: 1
- Přípoj 3/4" BSP










