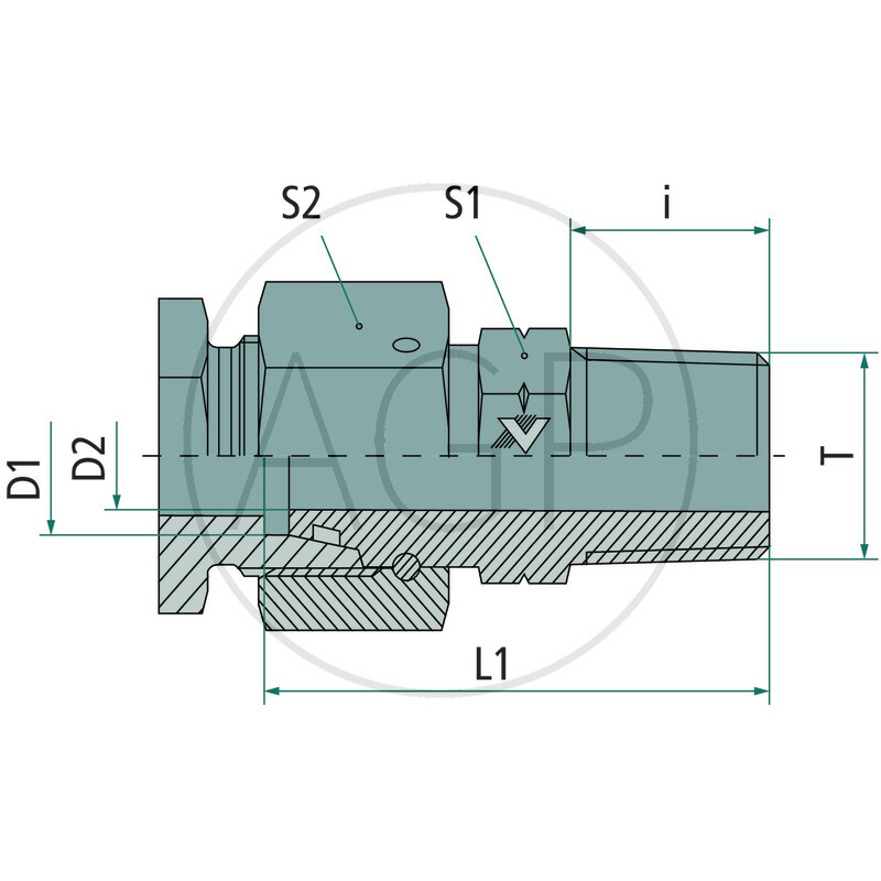
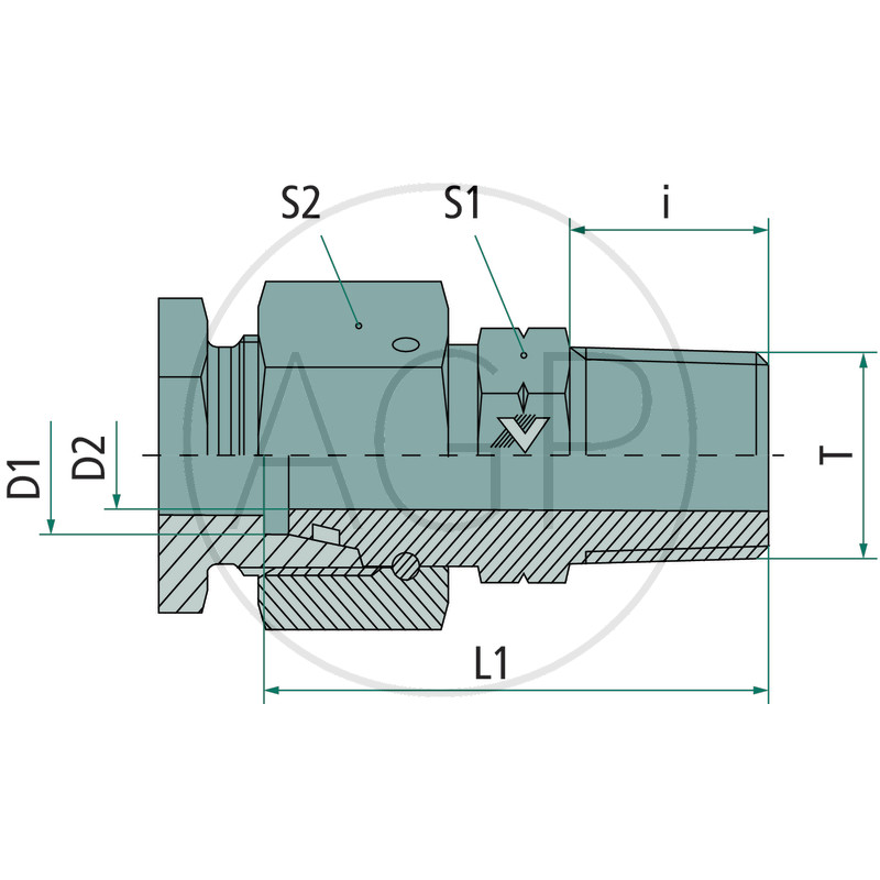
Hydraulika / Šroubení se střižným kroužkem / VOLZ VA-šroubové spojení / VOLZ VA-šroubové spojení - přímé šroubení / Hrdlo k zašroubování
EGVD 20 S- 3/4" NPT VA
2 168 Kč / ks
1 791,74 Kč bez DPH
Skladem na e-shopu
Kód:
75340
Máte dotaz k produktu?
Napište nám, brzy se ozveme
Balení: 1
- PN (bar) 400
- ? D2 (mm) 14
- ? T (mm) 3/4" NPT
- L1 (mm) 54
- ? D1 (mm) 20







