Hydraulika / Šroubení se střižným kroužkem / šroubové spojení / Rovná šroubení / DMO-přímá spojení
DMO 14 S / 20 S
957 Kč / ks
790,91 Kč bez DPH
Skladem na e-shopu
Kód:
Máte dotaz k produktu?
Napište nám, brzy se ozveme
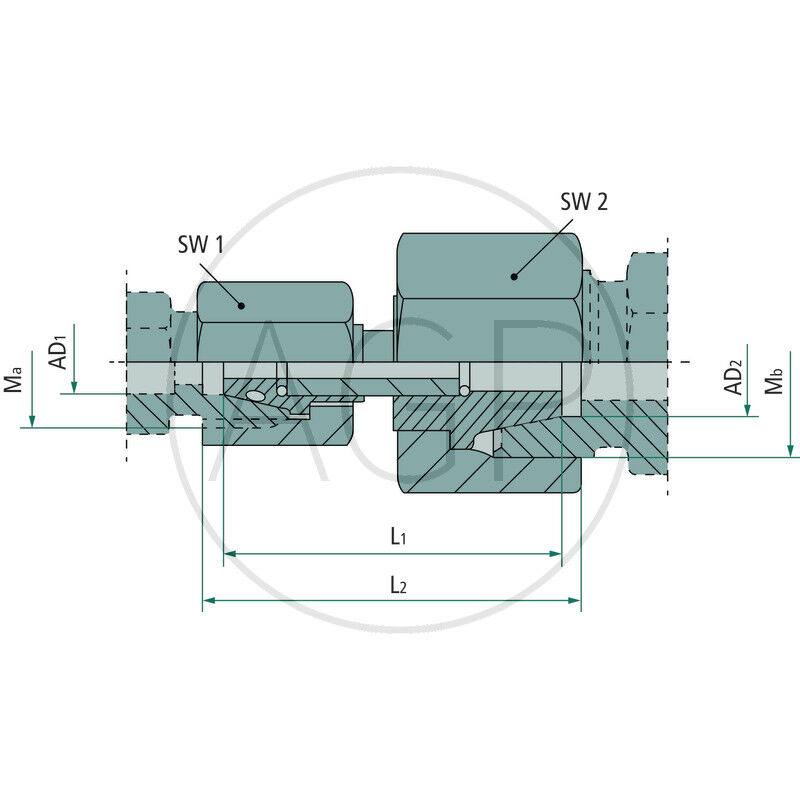
Přípoj 1: metrický maticový závit, 24° vnější konus s O-kroužkem
Přípoj 2: metrický maticový závit, 24° vnější konus s O-kroužkem
konstrukční typ: šroubení, dvojitá matice rovná
norma: DIN 3861
materiál: ocel, ochrana povrchu DIN 50979 Fe/Zn8/Cn/T2
Balení: 1
Balení: 1
- SW2 (mm) 36
- Trubkový přípoj AD1 (mm) 14 S
- Trubkový přípoj AD2 (mm) 20 S
- Závit Ma (mm) M22 x 1.5
- Závit Mb (mm) M30 x 2
- L1 (mm) 42
- L2 (mm) 47







